
详细介绍:
一、系统组成及应用范围
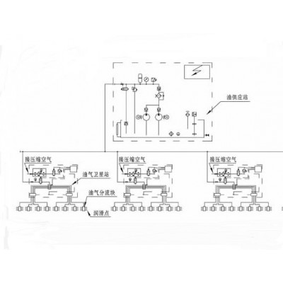
单线-多区式油气润滑系统主要由油供应站(含PLC电控箱),油气卫星站,QRFLG、QRFLK型油气分流块及管路附件等组成。本系统适用于润滑点大量,现场环境恶劣的场合。电动润滑泵

二、工作原理
油供应站设有一根供油主管向外供送压力油,油气卫星站的进油口均并接在供油主管上。油气卫星站的进气口与工厂气源相接,工作时压缩空气常通。工作时各卫星站间,当某个油气卫星站须供油时,该卫星站内油路上的二位二通电磁阀开启,压力油进入单线递进式油分配器,油分配器把润滑油按设定比例分配后送入油气混合器,在油气混合器中润滑油与压缩空气混合并在压缩空气的作用下吹送至后端油气分流器(或直接至润滑点),再由油气分流器均分成几路送入润滑点。递进式分配器上设有监控开关,电控内设定分配器动作次数,当监控次数达到设定动作次数时,卫星站上电磁阀关闭,停止给油。
三、系统特征
1、设置有供油主站,油箱容积≥500L;
2、设置有若干个能在较高供油-压力下工作的卫星站;
3、各卫星站设置有油计量循-环记数监测控制的单线递进式定量分配器和油气混合器以及压缩空气带通断电气控制功能的预处理装置;
4、设置有PLC电气控制箱,可对全系统的运行工况实行程序化全自动控制;
5、设置有末级油气分流器,分流器内无运动件,故可适合于长时期在高温辐-射影响条件下的区域安装使用;
6、此系统扩展性良好,但系统需新增卫星站增设电控部分的控制区域数。